NA7RH - Seneca Notes


Back to NA7RH AM Page





This PDF file contains some Heathkit VHF-1 (Seneca) problem solutions and modifications encountered in getting my Heathkit VHF-1 Seneca on the air. (click here)

I had the good fortune to acquire a Seneca that was originally well built and remained relatively unmolested.

The arrangement of items below is in their approximate order of encounter in proceeding through the Testing, Adjustment and Calibration Instructions section of the Heathkit Assembly Manual.

With these changes, I have added no new holes, nor done anything else that is irreversible.

Bob, NA7RH

3-18-2009



   VFO Hum, Frequency Shift and Drift when Driver is Keyed

   Tube Substitutions and Tube Condition


   6AQ5 Clamp Tube Oscillation


   2-meter Neutralization and Screen Lead Inductance


   Noise and Hum modulation due to Mike input susceptibility to RF


   Power Supply 120 Hz Hum in Speech Amplifier


   Electric Field Induced 120 Hz Hum in Speech Amp Input


   Arcing Relay Contacts at HV Transformer Center Tap


   Band Switch Mechanism


   Loose Dial Glass


   Link Coupling Assembly Error


   Unresolved Issues with the Seneca







 



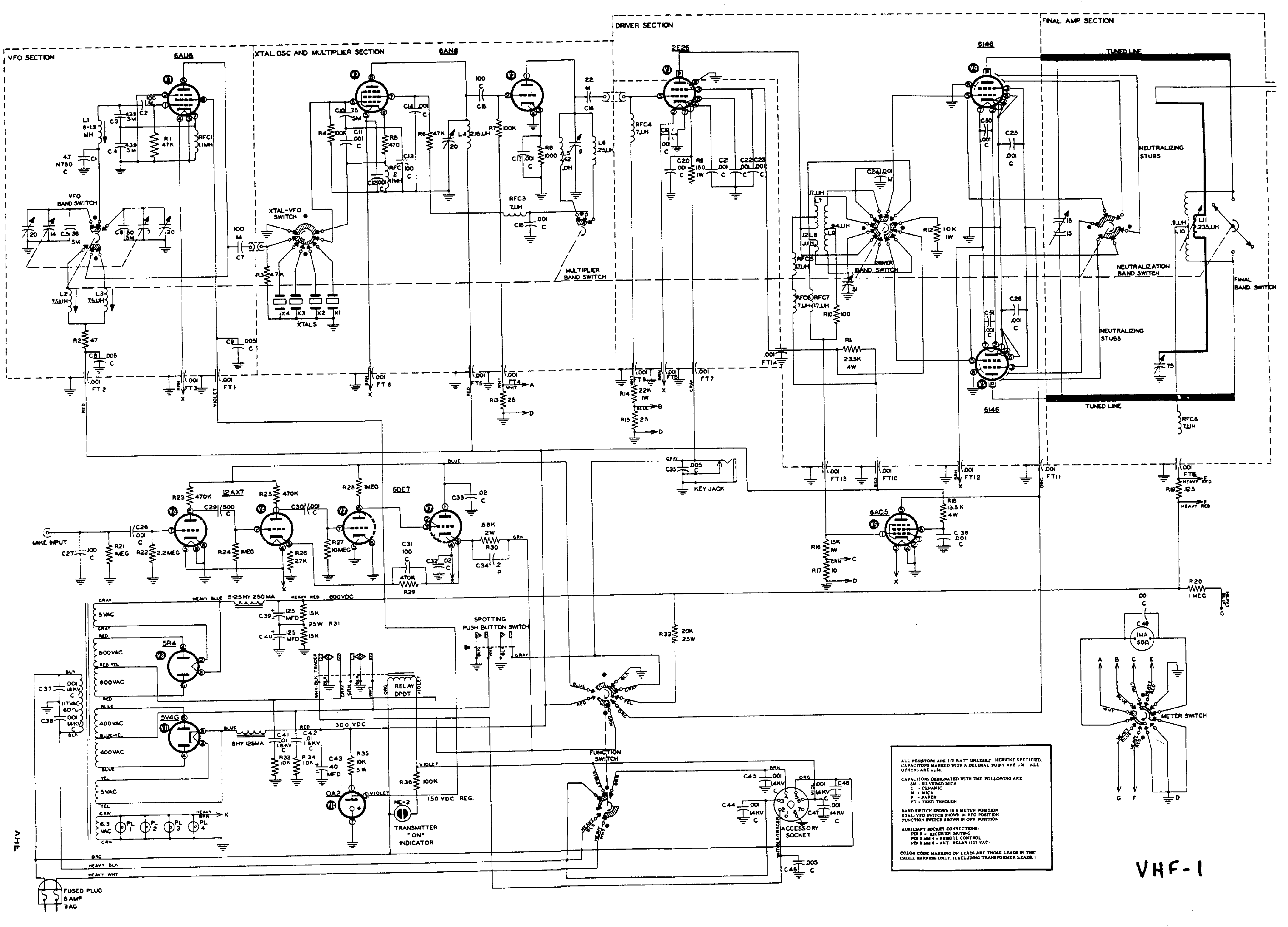
Schematic diagram of the VHF-1 Seneca for reference in support of the above modification notes  (in GIF format).

(Click here for full-page diagram  ~300K)






Front view of the Heathkit VHF-1 Seneca transmitter.



Back to NA7RH AM Page